End Effector Mounting On Tool Output Flange.
Disclaimer:
Carefully read the latest User Manual before attaching any end effectors to the tool output flange. Failure to follow the instructions may result in improper installation, equipment damage, or safety risks and can be considered a breach of warranty.
UR-series:
UR20/UR30 |
||
| Connection | Bolt Type | Torque |
| Tool Mount | M8 - Strength Class 8.8 - ISO4762 | 16.0Nm |

Caution:
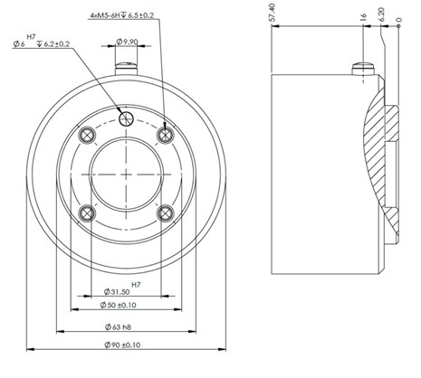
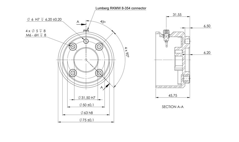
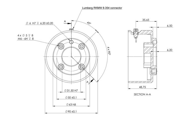
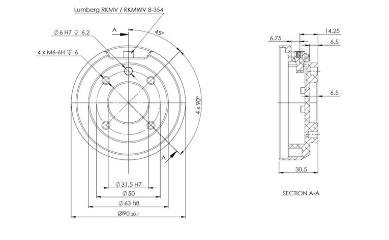
Do not use bolts that extend beyond 7mm to mount the tool. Very long M8 bolts can press against the bottom of the tool flange and short circuit the robot.
UR15/UR8 Long |
||
| Connection | Bolt Type | Torque |
| Tool Mount | M6 - Strength Class 8.8 - ISO4762 | 8.0Nm |


Caution:
Do not use bolts that extend beyond 8mm to mount the tool. Very long M6 bolts can press against the bottom of the tool flange and short circuit the robot.
E-series:
UR3e |
||
| Connection | Bolt Type | Torque |
| Tool Mount | M6 - Strength Class 8.8 - ISO4762 | 8.0Nm |

Caution:
Do not use bolts that extend beyond 8mm to mount the tool. Very long M6 bolts can press against the bottom of the tool flange and short circuit the robot.
UR5e/UR7e |
||
| Connection | Bolt Type | Torque |
| Tool Mount | M6 - Strength Class 8.8 - ISO4762 | 8.0Nm |

Caution:
Do not use bolts that extend beyond 8mm to mount the tool. Very long M6 bolts can press against the bottom of the tool flange and short circuit the robot.
UR10e/UR12e/UR16e |
||
| Connection | Bolt Type | Torque |
| Tool Mount | M6 - Strength Class 8.8 - ISO4762 | 8.0Nm |

Caution:
Do not use bolts that extend beyond 8mm to mount the tool. Very long M6 bolts can press against the bottom of the tool flange and short circuit the robot.
CB3-series:
UR3 CB3 |
||
| Connection | Bolt Type | Torque |
| Tool Mount | M6 - Strength Class 8.8 - ISO4762 | 9.0Nm |

Caution:
Do not use bolts that extend beyond 8mm to mount the tool. Very long M6 bolts can press against the bottom of the tool flange and short circuit the robot.
UR5 CB3 |
||
| Connection | Bolt Type | Torque |
| Tool Mount | M6 - Strength Class 8.8 - ISO4762 | 9.0Nm |

Caution:
Do not use bolts that extend beyond 8mm to mount the tool. Very long M6 bolts can press against the bottom of the tool flange and short circuit the robot.
UR10 CB3 |
||
| Connection | Bolt Type | Torque |
| Tool Mount | M6 - Strength Class 8.8 - ISO4762 | 10.0Nm |

Caution:
Do not use bolts that extend beyond 8mm to mount the tool. Very long M6 bolts can press against the bottom of the tool flange and short circuit the robot.