固定机械臂

描述

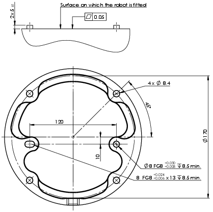
机器人安装的尺寸和孔图案。

关闭机械臂

意外启动和/或移动可能导致人身伤害

  • 关闭机械臂的电源,防止在安装和拆卸过程中意外启动。

  1. 在页脚左侧,点击机器人状态图标关闭机械臂。

    图标颜色从绿色变为白色。

  2. 按下示教盒上的电源按钮关闭控制箱。

  3. 如果显示“关机”对话框,点按关闭电源

此时,您可以继续:

  • 从墙壁插座上拔下电源线。

  • 等待 30 秒,让机器人释放所有储存的能量。

固定机械臂
  1. 将机械臂放在要安装的台面上。 台面必须平整干净。

  2. 将四颗 8.8 强度的 M8 螺栓拧紧至 20 Nm 扭矩。
    (扭矩值已在 SW 5.18 中更新。 早前印刷版中的值与之不同)

  3. 如果需要精确重新安装机器人,请使用 Ø8 mm 的孔和 Ø8x13 mm 的插槽以及安装板中相应的 ISO 2338 Ø8 h6 定位销。