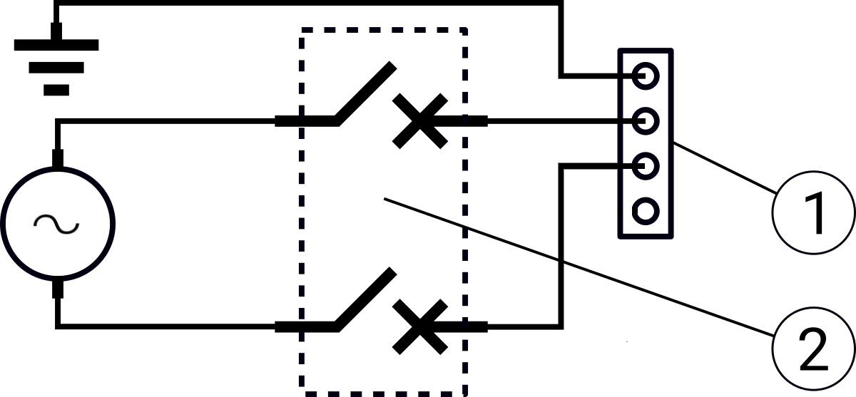
电源接线:交流

 

使用下面的方案将电线连接到连接器。

1 地线 2 零线
3 火线(相线)    

 

将 OEM Control Box 连接到电源:

  1. 将以下导线连接到连接器:零线、火线和地线。
  2. 将零线和火线连接至主电源。 将地线连接至设施地面。
  3. 将连接器插入 OEM Control Box 上的电源插座。

将电线连接到没有标签的极点上可能会干扰机器人的操作。

  • 请勿将电线连接到没有标签的极点上。

机器人连接

描述

如下图所示,机械臂连接器位于电源连接器的旁边。 有关连接机械臂线缆的详细信息,请参阅《Universal Robots 用户手册》。

 

1 电源连接器 2 机械臂连接器

断路器安装

描述

使用双极断路器保护电源输入连接器,因为它也可以用作开关。 如果使用保险丝,则必须在保险丝和电源输入连接器之间安装双极开关。

 

下图显示了断路器接线方案。

 

1 OEM 电源输入 2 断路器

未能正确安装保险丝或断路器可能会导致设备损坏或人员受伤。

  • 安装应符合 IEC 60364 标准。