电源接线:直流

描述

使用下面的方案将电线连接到连接器。

1 地线 2 负极
3 正极    

弄反直流电源极性会对 OEM Control Box 造成永久性损坏。

因无效电源连接造成的财产损失不在保修范围内。

  • 在连接电源之前,请确保极性正确。
连接电源

To connect the OEM Control Box to the power source:

  1. 将以下电线连接到连接器:零线、火线和地线(如果支持)。
  2. 如果该应用环境支持接地,请将地线连接到设施地面。 将负极和正极导线连接到直流电源。 确保极性正确。
  3. 将连接器插入 OEM Control Box 上的电源插座。

将电线连接到没有标签的极点上可能会干扰机器人的操作。

  • 请勿将电线连接到没有标签的极点上。

软启动电路

描述

当 OEM Control Box 连接到直流电源时,浪涌电流最高可达 400 A,持续 200 μs。 这可能会损坏直流电源或关闭与其连接的其他电子元件。

  • 使用直流电源时,请安装软启动电路。

机器人连接

描述

如下图所示,机械臂连接器位于电源连接器的旁边。 有关连接机械臂线缆的详细信息,请参阅《Universal Robots 用户手册》。

1 OEM CB 连接器 2 机械臂连接器

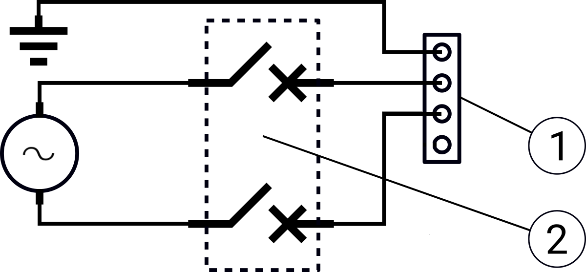
断路器安装

描述

使用双极断路器保护电源输入连接器,因为它也可以用作开关。 如果使用保险丝,则必须在保险丝和电源输入连接器之间安装双极开关。

 

下图显示了断路器接线方案。

1 OEM 电源输入 2 断路器

未能正确安装保险丝或断路器可能会导致设备损坏或人员受伤。

  • 安装应符合 IEC 60364 标准。