Power Source Wiring: AC
Use the following scheme to attach wires to the connector.
| 1 | Ground | 2 | Neutral |
| 3 | Line |
To connect the OEM Control Box to the power source:
- Connect the following wires to the connector: Neutral, Line and Ground.
- Connect the neutral, and line wires to main power supply. Connect the ground wire to the facility ground.
- Plug the connector into the power source socket on the OEM Control Box.
Connecting wires to poles without labels can interfere with the operation of the robot.
- Do not connect wires to poles without labels.
Robot Connection
The robot arm connector, illustrated below, is next to the power supply connector. For details on connecting the robot arm cable, refer to the Universal Robots User Manual.
| 1 | Robot arm connector | 2 | OEM CB connector |
| 3 | Robot arm connector (e-Series) | 4 | OEM CB connector (e-Series) |
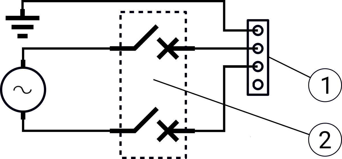
Circuit Breaker Installation
Use a double pole circuit breaker to protect the power input connector, as it can also be used as a switch. If a fuse is used, then a two-pole switch must be installed between the fuse and power input connector.
The following illustration shows the circuit breaker wiring scheme.
| 1 | OEM power input | 2 | Circuit breaker |
Failure to install appropriate fuses or circuit breakers can result in equipment damage or personnel injury.
- The installation shall comply with the standard IEC 60364.